Sign in
Please select an account to continue using cracku.in
↓ →
Join Our JEE Preparation Group
Prep with like-minded aspirants; Get access to free daily tests and study material.
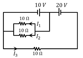
In the given circuit, the value of $$\left|\frac{I_1+I_3}{I_2}\right|$$ is:
Correct Answer: 2
Let us set the potential of the left vertical wire to $$0\text{ V}$$ (ground reference). Since all points on a continuous wire are at the same potential, the entire left side of the three resistors is at $$0\text{ V}$$.
Node B (Middle): $$V_B = 0\text{ V} + 10\text{ V} = 10\text{ V}$$
Node C (Far Right): $$V_C = V_B - 20\text{ V} = 10\text{ V} - 20\text{ V} = -10\text{ V}$$
$$I_1 = \frac{V_B - 0}{10} = \frac{10 - 0}{10} = 1\text{ A}$$
$$I_2 = \frac{V_B - 0}{10} = \frac{10 - 0}{10} = 1\text{ A}$$
$$I_3 = \frac{0 - V_C}{10} = \frac{0 - (-10)}{10} = \frac{10}{10} = 1\text{ A}$$
$$\text{Value} = \left| \frac{I_1 + I_3}{I_2} \right|$$
$$\text{Value} = \left| \frac{1 + 1}{1} \right| = \left| \frac{2}{1} \right| = 2$$
Predict your JEE Main percentile, rank & performance in seconds
Educational materials for JEE preparation
Ask our AI anything
AI can make mistakes. Please verify important information.
AI can make mistakes. Please verify important information.