For the following questions answer them individually
One mole of a monatomic ideal gas undergoes the cyclic process J $$\to$$ K $$\to$$ L $$\to$$ M $$\to$$ J, as shown in the P-T diagram.

Match the quantities mentioned in List-I with their values in List-II and choose the correct option.
[$$R$$ is the gas constant.]
| List-I | List-II | ||
|---|---|---|---|
| (P) | Work done in the complete cyclic process | (1) | $$RT_0 - 4RT_0 \ln 2$$ |
| (Q) | Change in the internal energy of the gas in the process JK | (2) | $$0$$ |
| (R) | Heat given to the gas in the process KL | (3) | $$3RT_0$$ |
| (S) | Change in the internal energy of the gas in the process MJ | (4) | $$-2RT_0 \ln 2$$ |
| (5) | $$-3RT_0 \ln 2$$ |
Four identical thin, square metal sheets, $$S_1$$, $$S_2$$, $$S_3$$, and $$S_4$$, each of side $$a$$ are kept parallel to each other with equal distance $$d$$ ($$\ll a$$) between them, as shown in the figure. Let $$C_0 = \varepsilon_0 a^2/d$$, where $$\varepsilon_0$$ is the permittivity of free space.
Match the quantities mentioned in List-I with their values in List-II and choose the correct option.
| List-I | List-II | ||
|---|---|---|---|
| (P) | The capacitance between $$S_1$$ and $$S_4$$, with $$S_2$$ and $$S_3$$ not connected, is | (1) | $$3C_0$$ |
| (Q) | The capacitance between $$S_1$$ and $$S_4$$, with $$S_2$$ shorted to $$S_3$$, is | (2) | $$C_0/2$$ |
| (R) | The capacitance between $$S_1$$ and $$S_3$$, with $$S_2$$ shorted to $$S_4$$, is | (3) | $$C_0/3$$ |
| (S) | The capacitance between $$S_1$$ and $$S_2$$, with $$S_3$$ shorted to $$S_1$$, and $$S_2$$ shorted to $$S_4$$, is | (4) | $$2C_0/3$$ |
| (5) | $$2C_0$$ |
A light ray is incident on the surface of a sphere of refractive index $$n$$ at an angle of incidence $$\theta_0$$. The ray partially refracts into the sphere with angle of refraction $$\phi_0$$ and then partly reflects from the back surface. The reflected ray then emerges out of the sphere after a partial refraction. The total angle of deviation of the emergent ray with respect to the incident ray is $$\alpha$$. Match the quantities mentioned in List-I with their values in List-II and choose the correct option.
| List-I | List-II | ||
|---|---|---|---|
| (P) | If $$n = 2$$ and $$\alpha = 180°$$, then all the possible values of $$\theta_0$$ will be | (1) | $$30°$$ and $$0°$$ |
| (Q) | If $$n = \sqrt{3}$$ and $$\alpha = 180°$$, then all the possible values of $$\theta_0$$ will be | (2) | $$60°$$ and $$0°$$ |
| (R) | If $$n = \sqrt{3}$$ and $$\alpha = 180°$$, then all the possible values of $$\phi_0$$ will be | (3) | $$45°$$ and $$0°$$ |
| (S) | If $$n = \sqrt{2}$$ and $$\theta_0 = 45°$$, then all the possible values of $$\alpha$$ will be | (4) | $$150°$$ |
| (5) | $$0°$$ |
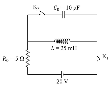
The circuit shown in the figure contains an inductor $$L$$, a capacitor $$C_0$$, a resistor $$R_0$$ and an ideal battery. The circuit also contains two keys $$K_1$$ and $$K_2$$. Initially, both the keys are open and there is no charge on the capacitor. At an instant, key $$K_1$$ is closed and immediately after this the current in $$R_0$$ is found to be $$I_1$$. After a long time, the current attains a steady state value $$I_2$$. Thereafter, $$K_2$$ is closed and simultaneously $$K_1$$ is opened and the voltage across $$C_0$$ oscillates with amplitude $$V_0$$ and angular frequency $$\omega_0$$.

Match the quantities mentioned in List-I with their values in List-II and choose the correct option.
| List-I | List-II | ||
|---|---|---|---|
| (P) | The value of $$I_1$$ in Ampere is | (1) | $$0$$ |
| (Q) | The value of $$I_2$$ in Ampere is | (2) | $$2$$ |
| (R) | The value of $$\omega_0$$ in kilo-radians/s is | (3) | $$4$$ |
| (S) | The value of $$V_0$$ in Volt is | (4) | $$20$$ |
| (5) | $$200$$ |
A closed vessel contains 10 g of an ideal gas X at 300 K, which exerts 2 atm pressure. At the same temperature, 80 g of another ideal gas Y is added to it and the pressure becomes 6 atm. The ratio of root mean square velocities of X and Y at 300 K is
At room temperature, disproportionation of an aqueous solution of in situ generated nitrous acid ($$HNO_2$$) gives the species
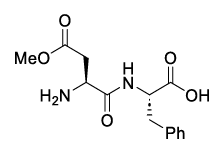
Aspartame, an artificial sweetener, is a dipeptide aspartyl phenylalanine methyl ester. The structure of aspartame is
Among the following options, select the option in which each complex in Set-I shows geometrical isomerism and the two complexes in Set-II are ionization isomers of each other.
[en = $$H_2NCH_2CH_2NH_2$$]
Among the following the correct statement(s) for electrons in an atom is(are)
Reaction of iso-propylbenzene with $$O_2$$ followed by the treatment with $$H_3O^+$$ forms phenol and a by-product P. Reaction of P with 3 equivalents of $$Cl_2$$ gives compound Q. Treatment of Q with $$Ca(OH)_2$$ produces compound R and calcium salt S.
The correct statement(s) regarding P, Q, R and S is(are)