Sign in
Please select an account to continue using cracku.in
↓ →
Join Our JEE Preparation Group
Prep with like-minded aspirants; Get access to free daily tests and study material.
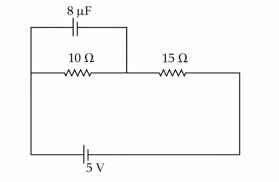
At steady state the charge on the capacitor, as shown in the circuit below, is $$\mu C$$.
Correct Answer: 16
At steady state capacitor behaves as open circuit.
It is connected in parallel with the $$10Ω$$ resistor, so voltage across capacitor = voltage across $$10Ω$$.
Current in series circuit:
$$I=\frac{5}{10+15}$$
$$=\frac{5}{25}=0.2A$$
Voltage across $$10Ω$$:
V=IR
$$=0.2\times10=2V$$
Charge on capacitor:
Q=CV
$$8\mu F\times2$$
$$=16μC$$
Click on the Email ☝️ to Watch the Video Solution
Create a FREE account and get:
Predict your JEE Main percentile, rank & performance in seconds
Educational materials for JEE preparation
Ask our AI anything
AI can make mistakes. Please verify important information.
AI can make mistakes. Please verify important information.