NTA JEE Mains 22nd Jan 2026 Shift 2

Instructions

For the following questions answer them individually

NTA JEE Mains 22nd Jan 2026 Shift 2 - Question 31


Light is incident on a metallic plate having work function $$110 \times 10^{-20}J$$. If the produced photoelectrons have zero kinetic energy then the angular frequency of the incident light is ___ rad/s. (h = $$6.63 \times 10^{-34}J.s.$$).

NTA JEE Mains 22nd Jan 2026 Shift 2 - Question 32


If $$\epsilon$$, E and t represent the free space permittivity, electric field and time respectively, then the unit of $$ \frac{\epsilon E}{t}$$ will be :

NTA JEE Mains 22nd Jan 2026 Shift 2 - Question 33


A laser beam has intensity of $$4.0 \times 10^{14} W/m^{2}.$$ The amplitude of magnetic field associated with beam is____________T. (Take $$\epsilon_{0}= 8.85 \times 10^{-12} C^{2}/Nm^{2}$$ and $$c= 3 \times 10^{8} m/s$$ )

NTA JEE Mains 22nd Jan 2026 Shift 2 - Question 34


Five positive charges each having charge q are placed at the vertices of a pentagon as shown in the figure. The electric potential (V) and the electric field $$(\overrightarrow{E})$$ at the center O of the pentagon due to these five positive charges are:

34

NTA JEE Mains 22nd Jan 2026 Shift 2 - Question 35


Using a simple pendulum experiment g is determind by measuring its time period T. Which of the following plots represent the correct relation between the pendulum length L and time period T?

NTA JEE Mains 22nd Jan 2026 Shift 2 - Question 36


In parallax method for the determination of focal length of a concave mirror, the object should always be placed:

NTA JEE Mains 22nd Jan 2026 Shift 2 - Question 37


Given below are two statements:
Statement I : For a mechanical system of many particles total kinetic energy is the sum of kinetic energies of all the particles.
Statement II: The total kinetic energy can be the sum of kinetic energy of the center of mass w.r.t to the origin and the kinetic energy of all the particles w.r.t. the center of mass as the reference.
In the light of the above statements, choose the correct answer from the options given below :

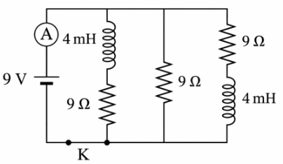
NTA JEE Mains 22nd Jan 2026 Shift 2 - Question 38


Figure shows the circuit that contains three resistances (9 $$\Omega$$ each) and two inductors (4 mH each). The reading of ammeter at the moment switch K is turned ON, is ____ A.

38

NTA JEE Mains 22nd Jan 2026 Shift 2 - Question 39


The correct truth table for the given input data of the following logic gate is:

39

NTA JEE Mains 22nd Jan 2026 Shift 2 - Question 40


An electric power line having total resistance of $$2\Omega$$, delivers 1 kW of power at 250 V. The percentage efficiency of transmission line is ____ .

banner

banner
cracku

Boost your Prep!

Download App