For the following questions answer them individually
A charge $$q$$ is placed at the center of one of the surface of a cube. The flux linked with the cube is:
An electric bulb rated $$50$$ W $$- 200$$ V is connected across a $$100$$ V supply. The power dissipation of the bulb is:
The magnetic moment of a bar magnet is $$0.5$$ Am$$^2$$. It is suspended in a uniform magnetic field of $$8 \times 10^{-2}$$ T. The work done in rotating it from its most stable to most unstable position is:
Match List I with List II:Â

Choose the correct answer from the options given below:
Arrange the following in the ascending order of wavelength: A. Gamma rays $$(\lambda_1)$$, B. x-rays $$(\lambda_2)$$, C. Infrared waves $$(\lambda_3)$$, D. Microwaves $$(\lambda_4)$$. Choose the most appropriate answer from the options given below:
The width of one of the two slits in a Young's double slit experiment is 4 times that of the other slit. The ratio of the maximum of the minimum intensity in the interference pattern is:
Given below are two statements: one is labelled as Assertion A and the other is labelled as Reason R. Assertion A: Number of photons increases with increase in frequency of light. Reason R: Maximum kinetic energy of emitted electrons increases with the frequency of incident radiation. In the light of the above statements, choose the most appropriate answer from the options given below:
According to Bohr's theory, the moment of momentum of an electron revolving in $$4^{th}$$ orbit of hydrogen atom is:
Identify the logic gate given in the circuit:
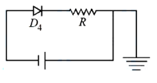
Which of the diode circuit shows correct biasing used for the measurement of dynamic resistance of p-n junction diode: