NTA JEE Mains 05th April 2024 Shift 2

Instructions

For the following questions answer them individually

NTA JEE Mains 05th April 2024 Shift 2 - Question 11


A galvanometer of resistance $$100\Omega$$ when connected in series with $$400\Omega$$ measures a voltage of upto $$10$$ V. The value of resistance required to convert the galvanometer into ammeter to read upto $$10$$ A is $$x \times 10^{-2} \Omega$$. The value of $$x$$ is :

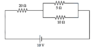
NTA JEE Mains 05th April 2024 Shift 2 - Question 12


The ratio of heat dissipated per second through the resistance $$5\Omega$$ and $$10\Omega$$ in the circuit given below is 

page2_img1

NTA JEE Mains 05th April 2024 Shift 2 - Question 13


The electrostatic force $$(\vec{F_1})$$ and magnetic force $$(\vec{F_2})$$ acting on a charge $$q$$ moving with velocity $$v$$ can be written :

NTA JEE Mains 05th April 2024 Shift 2 - Question 14


A series LCR circuit is subjected to an ac signal of $$200$$ V, $$50$$ Hz. If the voltage across the inductor $$(L = 10 \text{ mH})$$ is $$31.4$$ V, then the current in this circuit is :

NTA JEE Mains 05th April 2024 Shift 2 - Question 15


Match List-I with List-II :

image

NTA JEE Mains 05th April 2024 Shift 2 - Question 16


Given below are two statements : Statement I : When the white light passed through a prism, the red light bends lesser than yellow and violet. Statement II : The refractive indices are different for different wavelengths in dispersive medium. In the light of the above statements, choose the correct answer from the options given below :

NTA JEE Mains 05th April 2024 Shift 2 - Question 17


Which of the following statement is not true about stopping potential $$(V_0)$$ ?

NTA JEE Mains 05th April 2024 Shift 2 - Question 18


The angular momentum of an electron in a hydrogen atom is proportional to : (Where $$r$$ is the radius of orbit of electron)

NTA JEE Mains 05th April 2024 Shift 2 - Question 19


The output $$(Y)$$ of logic circuit given below is 0 only when 

page3_img1

NTA JEE Mains 05th April 2024 Shift 2 - Question 20


A vernier callipers has 20 divisions on the vernier scale, which coincides with $$19^{th}$$ division on the main scale. The least count of the instrument is $$0.1$$ mm. One main scale division is equal to ______ mm.

banner

banner
cracku

Boost your Prep!

Download App