NTA JEE Main 29th January 2023 Shift 2

Instructions

For the following questions answer them individually

NTA JEE Main 29th January 2023 Shift 2 - Question 11


With the help of potentiometer, we can determine the value of emf of a given cell. The sensitivity of the potentiometer is
(A) directly proportional to the length of the potentiometer wire
(B) directly proportional to the potential gradient of the wire
(C) inversely proportional to the potential gradient of the wire
(D) inversely proportional to the length of the potentiometer wire
Choose the correct option for the above statements:

NTA JEE Main 29th January 2023 Shift 2 - Question 12


The electric current in a circular coil of four turns produces a magnetic induction $$32$$ T at its centre. The coil is unwound and is rewound into a circular coil of single turn, the magnetic induction at the centre of the coil by the same current will be:

NTA JEE Main 29th January 2023 Shift 2 - Question 13


A square loop of area $$25$$ cm$$^2$$ has a resistance of $$10$$ $$\Omega$$. The loop is placed in uniform magnetic field of magnitude $$40.0$$ T. The plane of loop is perpendicular to the magnetic field. The work done in pulling the loop out of the magnetic field slowly and uniformly in $$1.0$$ sec, will be

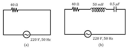
NTA JEE Main 29th January 2023 Shift 2 - Question 14


For the given figures, choose the correct options:

image

NTA JEE Main 29th January 2023 Shift 2 - Question 15


Given below are two statements:
Statement I: Electromagnetic waves are not deflected by electric and magnetic field.
Statement II: The amplitude of electric field and the magnetic field in electromagnetic waves are related to each other as $$E_0 = \sqrt{\frac{\mu_0}{\epsilon_0}} B_0$$.
In the light of the above statements, choose the correct answer from the options given below:

NTA JEE Main 29th January 2023 Shift 2 - Question 16


A scientist is observing a bacteria through a compound microscope. For better analysis and to improve its resolving power he should. (Select the best option)

NTA JEE Main 29th January 2023 Shift 2 - Question 17


Substance $$A$$ has atomic mass number $$16$$ and half life of $$1$$ day. Another substance $$B$$ has atomic mass number $$32$$ and half life of $$\frac{1}{2}$$ day. If both $$A$$ and $$B$$ simultaneously start undergo radio activity at the same time with initial mass $$320$$ g each, how many total atoms of $$A$$ and $$B$$ combined would be left after $$2$$ days

NTA JEE Main 29th January 2023 Shift 2 - Question 18


For the given logic gates combination, the correct truth table will be

image

NTA JEE Main 29th January 2023 Shift 2 - Question 19


The modulation index for an A.M. wave having maximum and minimum peak to peak voltages of $$14$$ mV and $$6$$ mV respectively is:

NTA JEE Main 29th January 2023 Shift 2 - Question 20


In an experiment of measuring the refractive index of a glass slab using travelling microscope in physics lab, a student measures real thickness of the glass slab as $$5.25$$ mm and apparent thickness of the glass slab at $$5.00$$ mm. Travelling microscope has 20 divisions in one cm on main scale and 50 divisions on Vernier scale is equal to 49 divisions on main scale. The estimated uncertainty in the measurement of refractive index of the slab is $$\frac{x}{10} \times 10^{-3}$$, where $$x$$ is ______.

Backspace
789
456
123
0.-
Clear All
banner

banner
cracku

Boost your Prep!

Download App