For the following questions answer them individually
Given below are two statements: One is labelled as Assertion A and the other is labelled as Reason R.
Assertion A: For measuring the potential difference across a resistance of $$600$$ $$\Omega$$, the voltmeter with resistance $$1000$$ $$\Omega$$ will be preferred over voltmeter with resistance $$4000$$ $$\Omega$$.
Reason R: Voltmeter with higher resistance will draw smaller current than voltmeter with lower resistance.
In the light of the above statements, choose the most appropriate answer from the options given below
Equivalent resistance between the adjacent corners of a regular $$n$$-sided polygon of uniform wire of resistance $$R$$ would be:
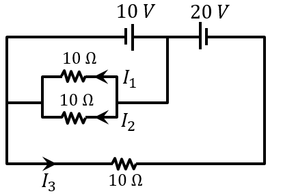
In the given circuit the value of $$\left|\frac{I_1+I_3}{I_2}\right|$$ is:
A coil is placed in magnetic field such that plane of coil is perpendicular to the direction of magnetic field. The magnetic flux through a coil can be changed:
A. By changing the magnitude of the magnetic field within the coil.
B. By changing the area of coil within the magnetic field.
C. By changing the angle between the direction of magnetic field and the plane of the coil.
D. By reversing the magnetic field direction abruptly without changing its magnitude.
Choose the most appropriate answer from the options given below:
The ratio of average electric energy density and total average energy density of electromagnetic wave is:
Two objects $$A$$ and $$B$$ are placed at $$15$$ cm and $$25$$ cm from the pole in front of a concave mirror having radius of curvature $$40$$ cm. The distance between images formed by the mirror is:
The threshold frequency of metal is $$f_0$$. When the light of frequency $$2f_0$$ is incident on the metal plate, the maximum velocity of photoelectron is $$v_1$$. When the frequency of incident radiation is increased to $$5f_0$$, the maximum velocity of photoelectrons emitted is $$v_2$$. The ratio of $$v_1$$ to $$v_2$$ is:
An electron of a hydrogen like atom, having $$Z = 4$$, jumps from $$4^{th}$$ energy state to $$2^{nd}$$ energy state. The energy released in this process, will be: (Given $$Rch = 13.6$$ eV, where $$R$$ = Rydberg constant, $$c$$ = Speed of light in vacuum, $$h$$ = Planck's constant)
Choose the correct statement about Zener diode:
In an amplitude modulation, a modulating signal having amplitude of $$X$$ V is superimposed with a carrier signal of amplitude $$Y$$ V in first case. Then, in second case, the same modulating signal is superimposed with different carrier signal of amplitude $$2Y$$ V. The ratio of modulation index in the two case respectively wil be: